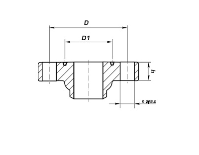
Фланцы стальные приварные встык и стальные резьбовые (подсоединение к трубам А с резьбой НКТ ГОСТ 633-80)
предназначены для устьевого оборудования. Выпускаются в диапазоне условных проходов Dy от 50 до 100 мм
и условных давлений от 14 МПа до 35 МПа для любого типа фланцевого соединения со стальными
кольцевыми прокладками восьмиугольного сечения по ГОСТ 28919-91.
|
Dу мм |
|
|
Pу 14 м Па |
|
|
|
Ру 21 МПа |
|
|
|
Ру 35 МПа |
|
|||
|
D |
D1 |
h |
n |
d |
D |
D1 |
h |
n |
d |
D |
D1 |
h |
n |
d |
|
|
|
01 |
|
|
|
|
01 |
|
|
|
|
01 |
|
|
|
|
|
|
|
|
|
|
|
||||||||||
|
50 |
127 |
82,5 |
34 |
8 |
19 |
165 |
95,2 |
46 |
8 |
25 |
165 |
95,2 |
46 |
8 |
25 |
|
65 |
149 |
101,6 |
29 |
8 |
23 |
190,5 |
107,9 |
50 |
8 |
28 |
190,5 |
107,9 |
50 |
8 |
28 |
|
80 |
168 |
123,8 |
40 |
8 |
23 |
190,5 |
123,8 |
46 |
8 |
25 |
203 |
136,5 |
56 |
8 |
32 |
|
100 |
216 |
149,2 |
46 |
8 |
25 |
235,0 |
149,2 |
53 |
8 |
32 |
241 |
161,9 |
62 |
8 |
36 |
Трубопроводная арматура, нефтегазовое оборудование, нефтепромысловое оборудование, 9064-75, 9066, гайка фланцевая, гайка для фланцевых соединений, завод трубопроводной арматуры, производство трубопроводной арматуры, производитель трубопроводной арматуры, трубопроводная запорная арматура, клапан запорный прямой, испытание трубопроводной арматуры, завод трубопроводной арматуры официальный сайт, деталь трубопроводной арматуры, арматура промышленная трубопроводная, трубопроводная арматура купить, ремонт трубопроводной арматуры, виды трубопроводной арматуры, цкба арматура трубопроводная, затворы трубопроводная арматура, ст цкба арматура трубопроводная, уральская трубопроводная арматура, трубопроводная арматура клапан, требования +к трубопроводной арматуре, сварка трубопроводной арматуры, герметичность трубопроводной арматуры, трубопроводная арматура сталь, соединения трубопроводной арматуры, типы трубопроводной арматуры, материалы трубопроводной арматуры, изготовление трубопроводной арматуры, маркировка трубопроводной арматуры, нормы герметичности арматуры трубопроводной, обозначение трубопроводной арматуры, арматура трубопроводная нормы герметичности затвора, трубопроводная арматура производители, гост арматура трубопроводная нормы герметичности затворов, трубопроводная арматура давление, трубопроводная арматура челябинск, трубопроводы +и трубопроводная арматура, трубопроводная арматура определение, класс трубопроводной арматуры, приводы трубопроводной арматуры, гост 9544 2015 арматура трубопроводная, трубопроводный кран трубопроводная арматура, регулирующая трубопроводная арматура, назначение трубопроводной арматуры, клапан запорный 15лс68нж, 15лс68нж 09г2с,15лс68нж фланцевый,15лс68нж ду25, вентиль 15лс68нж, 15лс68нж цена, зкс 25 40 15лс68нж, клапан запорный фланцевый 15лс68нж, вода и пар, газообразные среды, нефтепродукты; углеродистая сталь, запорно регулирующей клапан, клапан запорно регулирующий,запорно регулируемый клапан,клапан запорный фланцевый, предохранительно запорный клапан,ручной запорный клапан, клапан запорный угловой, клапана запорные купить, клапан запорный муфтовый, клапан вентиль запорный, клапан запорный проходной,клапан запорный электромагнитный, клапан запорный газовый,клапана краны запорные, клапан запорный ду15, пожарный запорный клапан, клапан запорный ду50, устройство запорного клапана, обратный запорный клапан, клапан запорный латунный, клапан сильфонный запорный,клапан запорный pn16, клапан запорный сталь, клапан запорный ду25, клапан запорный гост, автоматический запорный клапан, клапан запорный dn15, запорный клапан danfoss, клапан запорно присоединительный, клапан запорный электромагнитный газовый, клапан запорный сальниковый,корпус запорного клапана, клапан запорный игольчатый, клапан запорный под приварку, клапан запорный латунь, запорный клапан ридан, клапан запорный чугунный, клапан запорный ду 25, клапан запорный ду 50, установка запорного клапана, клапаны запорно регулирующие кзр, шаровой запорный клапан, клапан запорный 15с65нж, клапан запорный проходной фланцевый, запорный клапан трубопровода, клапан запорный муфтовый латунный, клапан запорный dn20, давление предохранительного запорного клапана, задвижка клиновая фланцевая, шпиндель задвижки клиновой, задвижка клиновая +с выдвижным шпинделем , задвижка клиновая ду, задвижка стальная клиновая, задвижка чугунная клиновая, задвижка клиновая +с выдвижным шпинделем фланцевая, задвижка клиновая 100, задвижка стальная клиновая фланцевая, шпилька 9066, шпилька гост 9066, шпильки фланцевые гост 9066, гост 9066 шпильки +для фланцевых соединений, шпилька 9066 купить, шпильки фланцевые гост 9066 75 купить, шпильки гост 9066 75 ст 35, шпилька гост 9066 75 40х, шпилька резьбовая гост 9066, шпилька м16х90 гост 9066, шпилька м16х90 гост 9066 75, шпилька м20х500 с245 9066 75, гост 9066 шпилька размеры, шпилька +с полной резьбой гост 9066 75, шпилька гост 9066 75 аналог din, шпилька гост 9066 75 м16х90 ст 35, гайка 9064, гайка гост 9064, гайка фланцевая гост 9064 75, гайка +для фланцевых соединений гост 9064, гайка ам16 гост 9064 75, купить гайку 9064, гайка м16 гост 9064 75, гайка ам16 6н гост 9064 75, гайка 12х18н10т гост 9064 75, гайка м20 гост 9064 75, гост гайки шестигранные 9064 75, гайка 9064 аналог дин, игольчатый клапан купить, одновентильный игольчатый клапан, клапан игольчатый регулирующий, клапан игольчатый нержавеющий, клапан игольчатый 15нж54бк, клапан игольчатый 15с54бк, корпус игольчатого клапана, клапан игольчатый гост, кран шаровой стальной, диаметры шаровых кранов, кран шаровый латунный, шаровые краны dn, дроссель регулируемый, регулирующие дроссели, дроссель клапан регулирующий, регулируемый обратный дроссель, дроссель гидравлический регулируемый, регулируемый обратный дроссель, регулируемый дроссель +с обратным клапаном, дроссель угловой регулируемый, дроссель пневматический регулируемый, дроссель воздушный регулируемый, кабельный ввод взрывозащищенный, диаметры кабельных вводов, кабельные вводы купить, сальник +для кабельного ввода, кабельный ввод размеры, резьба кабельного ввода, тип кабельного ввода, кабельный ввод металлический, кабельный ввод проходной, муфта кабельного ввода,
фланцы гост, соединение фланцев, фланец стальной, фланец 33259, фланец гост 33259, фланец плоский, гост 33259 2015 фланцы, фланец сталь, фланец стальной приварной, фланец плоский приварной, кран шаровой +с редуктором, кран шаровой фланцевый +с редуктором, кран шаровой стальной +с редуктором, кран шаровой под приварку +с редуктором, шаровой кран +с механическим редуктором, гост 7798 70 болты, болты шестигранные гост 7798 70, гост 7798 70 болты +с шестигранной головкой, болт м12 гост 7798 70, болт м16 гост 7798 70, гост 7798 70 болты резьба, болт гост 7798 70 купить, болт гост 7798 70 размеры, болт м20 гост 7798 70, болт гост 7798 70 7805 70, прочность болтов гост 7798 70, болт 5.8 гост 7798 70, болт din 933 гост 7798 70, класс прочности болтов гост 7798 70, болт оцинкованный гост 7798 70, болт гост 7798 70 цинк, болт +с полной резьбой гост 7798 70,